LPS Series
- Category AC to DC Power Supplies
- Type Linear AC to DC Power Supplies
- Power 12-210 Watts
Clean Linear Power, Long-Term Support, Customer Configurable.
The LPS Series is a family of rugged linear AC-DC power supplies for long-running, mission-critical applications that require clean, quiet, tightly regulated DC power. Designed as modernized replacements for legacy linear power supplies, LPS units preserve established mechanical envelopes, mounting patterns, and electrical interfaces with MIL-grade construction, modern manufacturing methods, and current-production high-reliability components.
LPS configurations are available for single-output applications, with related LPD configurations available for dual-output requirements. Standard and custom configurations can be provided to support existing terminal/header interfaces or hermetic circular connector interfaces, helping reduce redesign effort and accelerate replacement of unsupported power supplies in active and legacy systems.
The LPS Series is well suited for programs addressing DMSMS, obsolescence management, life-cycle sustainment, supportability, and readiness-driven replacement of legacy power hardware. Abbott maintains configuration control and builds assemblies in house, supporting long-term availability, repeatable manufacturing, and responsive modification support for legacy and active programs alike.
This series is Factory Configurable both electrically and mechanically to best fit your application.
Key Features
- Form Fit Function Replacement (DMSMS)
- Modern Design, Manufacturability, Supply Chain
- Customer Configurable
- Single and Dual Outputs
- Terminal Header and Mil-Circular Connectors
- MIL-STD-810 Environmental Requirements
Specifications
- AC INPUT105-125 VAC, 55-65Hz or 380-420Hz, single phase.
- EFFICIENCY30% minimum.(50% typ, 28 VDC Model at 100% load).
- LINE REGULATION±0.1% of nominal over the full range of line input voltage.
- LOAD REGULATION±0.2% for change from no load to full load.
- PARD (RIPPLE AND NOISE)Peak-to-peak combined ripple and noise does not exceed 0.2% nominal output measured with a 25 MHz bandwidth.
- ELECTROMAGNETIC COMPATIBILITYDesigned to meet MIL-STD-461.
- ISOLATION
- INPUT TO OUTPUT500 VDC
- INPUT TO CASE500 VDC
- OUTPUT TO CASE500 VDC
- INSULATION RESISTANCE50 megohms minimum between input and output, input and case, output and case when measured at 50VDC.
- INPUT TRANSIENT PROTECTIONMIL-STD-1399, Section 103 (143.8VAC for 0.3 Seconds).
Optional MIL-STD-704 Figure 3, Limit 1 (180VAC for 0.1 Seconds). Contact Factory.
- SHORT CIRCUIT PROTECTIONCompletely protected against short circuit of any duration. Output automatically restores to normal after removal of short.
- LOAD TRANSIENT RESPONSEOutput voltage returns to regulation limits within 100 microseconds after 50% step change in load current.
- LOAD TRANSIENT OVERSHOOT2% maximum from nominal voltage set point.
- OUTPUT VOLTAGE AND CURRENTOver-voltage protection (crowbar) set to 20% nominal rated output.
Output adjust ±5% via adjustable potentiometer.
- TEMPERATURE RANGE: STORAGE-55°C to +85°C.
- TEMPERATURE RANGE: OPERATING-20°C to +70°C baseplate with no power derating.
- ENVIRONMENTAL CONDITIONSEncapsulated and hermetically sealed to meet the environmental requirements of MIL-STD-810, MIL-S-901.
- RELIABILITYMTBF 69,700 hours at 50C baseplate calculated per MIL-HDBK-217 in naval sheltered environment (455,100 hours ground benign).
- OPTIONALHermetically Sealed Circular Connectors
Remote ON/OFF
Overtemperature Protection
Other outputs and/or inputs available upon request.
Standard Models
| Model No. | Output Volts (VDC) | Output Current (A) | Power (W) | Size |
|
LPS20S5 LPS50S5 LPS75S5 LPS150S5 |
5 5 5 5 |
2.4 6 10 20 |
12 30 50 100 |
LPS20 LPS50 LPS75 LPS150 |
|
LPS20S6.3 LPS50S6.3 LPS75S6.3 LPS150S6.3 |
6.3 6.3 6.3 6.3 |
2.4 6 10 20 |
15.12 37.8 63 126 |
LPS20 LPS50 LPS75 LPS150 |
|
LPS20S12 LPS50S12 LPS75S12 |
12 12 12 |
1.7 4 7.5 |
20.4 48 90 |
LPS20 LPS50 LPS75 |
|
LPS20S15 LPS50S15 LPS75S15 LPS150S15 |
15 15 15 15 |
1.5 3 4 7.5 |
22.5 45 60 112.5 |
LPS20 LPS50 LPS75 LPS150 |
|
LPS20S24 LPS50S24 LPS75S24 LPS150S24 |
24 24 24 24 |
0.9 2.5 3.9 7.5 |
21.6 60 93.6 180 |
LPS20 LPS50 LPS75 LPS150 |
|
LPS20S28 LPS50S28 LPS75S28 LPS150S28 |
28 28 28 28 |
0.75 2 3.15 7.5 |
21 56 88.2 210 |
LPS20 LPS50 LPS75 LPS150 |
|
LPD15S12 LPD30S12 LPD50S12 |
±12 ±12 ±12 |
0.5 0.9 1.5 |
12 21.6 36 |
LPD15 LPD30 LPD50 |
|
LPD15S15 LPD30S15 LPD50S15 |
±15 ±15 ±15 |
0.5 0.9 1.5 |
15 21.6 45 |
LPD15 LPD30 LPD50 |
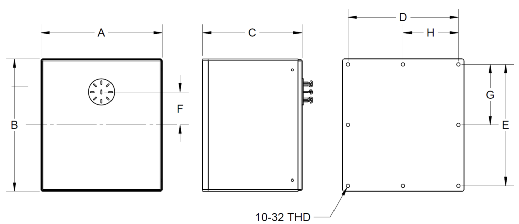
Dimensions
| SIZE | A | B | C | D | E | F | G | H | WEIGHT (LBS MAX) |
|
LPS20 LPS50 LPS75 LPS150 |
2.75 4.25 4.50 5.50 |
4.75 5.25 6.00 6.50 |
3.75 4.00 4.00 5.00 |
2.25 3.75 4.00 5.00 |
4.25 4.75 5.50 6.00 |
0.875 1.875 2.25 2.00 |
2.38 2.75 3.00 |
4.0 7.0 10.0 14.0 |
|
|
LPD15 LPD30 LPD50 |
3.00 4.00 5.50 |
6.00 6.25 6.00 |
3.375 3.375 3.375 |
2.50 3.50 5.00 |
5.50 5.75 5.50 |
2.00 0.875 1.50 |
2.88 2.75 |
2.75 |
4.5 6.0 8.0 |
Mechanical Drawings
Pin Assignment
| Pin | Function | ||
| 1 | INPUT | ||
| 2 | INPUT | ||
| 3 | GND | ||
| 4 | N/C | ||
| 5 | +OUTPUT | ||
| 6 | +SENSE | ||
| 7 | -OUTPUT | ||
| 8 | -SENSE | ||
| 9 | TRIM |
Have additional questions about the LPS Series?
Speak with our Application Engineers.The LPS Series is intended to support replacement of legacy linear AC-DC power supplies where continued availability, manufacturability, and long-term support are critical. For many applications, a replacement unit can be configured that preserves the installed envelope, mounting arrangement, connector style, nominal output configuration, and required option behavior so customers can maintain system architecture while addressing obsolescence and supply-chain risk.
the LPS Series can accommodate a broad range of legacy option requirements, including connector variations, remote functions, output adjustment, environmental options, temperature variants, input variations, and protection-feature differences. Abbott standard configurations already incorporate many features that were previously optional on older designs, including modern protection features and improved manufacturability. Where required for legacy compatibility, over-voltage protection can also be omitted by request.
Typical configurable items include:
- Standard terminal/header or hermetic circular connector interfaces
- Remote inhibit / remote on-off functions
- Output voltage adjustment options
- Over-temperature protection configurations
- Temperature and environmental variants
- Input / interface variants for legacy replacement programs
- Standard crowbar OVP or OVP omitted by request
- Customer-specific documentation, screening, and qualification support

